1653nm 40mW DFB Laser Diodo Metano Sentsorerako CH4 Sensing-ek eraikuntza lau bat erabiltzen du azpigarraioan txiparekin. Potentzia handiko txipa hermetikoki itxita dago epoxirik gabeko eta fluxurik gabeko 14 pin tximeleta pakete batean eta termistore batekin, hozgailu termoelektrikoarekin eta monitore-diodo batekin hornituta dago kalitate handiko laser errendimendua ziurtatzeko. Gure laser produktuak Telcordia GR-468 kalifikatuak dira eta RoHS zuzentarauak betetzen dituzte.
1653nm 40mW DFB Laser Diodo Metano Sentsorerako CH4 Sensing-ek eraikuntza lau bat erabiltzen du azpigarraioan txiparekin. Potentzia handiko txipa hermetikoki itxita dago epoxirik gabeko eta fluxurik gabeko 14 pin tximeleta pakete batean eta termistore batekin, hozgailu termoelektrikoarekin eta monitore-diodo batekin hornituta dago kalitate handiko laser errendimendua ziurtatzeko. Gure laser produktuak Telcordia GR-468 kalifikatuak dira eta RoHS zuzentarauak betetzen dituzte.
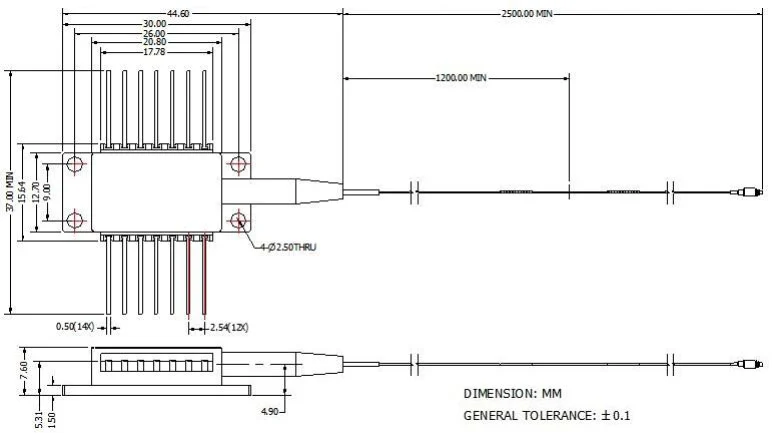
Industria estandarra 14 pin tximeleta paketea;
TEC integratua eta isolatzaile optikoa;
Errendimendu handiko, multiquantum well (MQW) distributed-feedback (DFB) laserra.
Gasa detektatzeko osagai pasiboen ekoizpen-probak;
Zuntz gasa detektatzeko sistema;
Laser iturriak.
| Parametroa | Ikurra | Baldintza | Min. | Tip. | Max. | Unitatea |
| Erdiko uhin-luzera | λc | TL=15~35℃ CW | 1652.7 | 1653.7 | 1654.7 | nm |
| Irteerako potentzia optikoa | Po | CW | - | 40 | - | mW |
| LD Atalasearen korrontea | ITH | CW | - | 15 | 40 | mA |
| LD Aurrerako korrontea | Bada | Pf = Potentzia nominala | - | 300 | 400 | mA |
| Isolamendu optikoa | - | -10 < TC < +70 ℃ | 30 | - | - | dB |
| Alboko modua ezabatzeko ratioa | SMSR | CW | 35 | 40 | - | dB |
| Erantzunkortasuna kontrolatu | naiz /Pf | - | - | 1 | 20 | uA/mW |
| Erantzunkortasunaren egonkortasuna kontrolatu | - | - | - | - | %20 | - |
| Kontrolatu korronte iluna | Id | VPD = 5V | - | - | 50 | nA |
| TEC Korrontea | ITEC | Tcase = 75 ℃ | - | - | 2 | A |
| TEC Tentsioa | VTEC | Tcase = 75 ℃ | - | - | 3.5 | V |
| TEC energia-kontsumoa | P | Tstg = 25 ℃ | - | - | 5 | W |
| Termistoreen erresistentzia | Rth | Tcase = 75 ℃ | 9.5 | 10 | 10.5 | Kohm |
| B termistorea konstantea | Bth | Tstg = 25 ℃ | - | 3900 | - | K |
| Uhin-luzeraren noraeza (EOL) | △λ | 25 urteko bizitzan zehar probatua | - | - | ±0,1 | nm |
| Olatua. Tenperatura-koefizientea | Δλ/ΔT | TEC tenperatura 15 ℃ eta 35 ℃ artean | - | 0.09 | - | nm/℃ |
| Uhin-luzera Korronte-koefizientea | Δλ/ΔΙ | - | - | 0.01 | - | nm/mA |

Produktu guztiak probatu dira bidali aurretik;
Produktu guztiek 1-3 urteko bermea dute. (Kalitatearen bermearen epea mantentze-zerbitzuaren kuota egokia kobratzen hasi ondoren).
Zure negozioa eskertzen dugu eta berehalako 7 eguneko itzultze-politika eskaintzen dugu. (elementuak jaso eta 7 egun);
Gure dendatik erosten dituzun elementuak kalitate hobekoak ez badira, hau da, ez badute elektronikoki fabrikatzaileen zehaztapenekin funtzionatzen, besterik gabe itzul iezaguzu ordezkatzeko edo itzultzeko;
Elementuak akatsak badira, jakinarazi iezaguzu entrega eta 3 eguneko epean;
Edozein elementu jatorrizko egoeran itzuli behar da itzulketa edo ordezkapena izateko;
Erosleak sortutako bidalketa-kostu guztien ardura da.
G: Zein da uhin-luzeraren zehaztasuna?
A: +/-0,5 nm.
G: Irteerako potentziaren beste bertsiorik al duzu?
A: 10mW, 15mW, 50mW.
1512nm 10mW DFB 14PIN tximeleta laserra NH3 detektatzeko
1392nm DFB Butterfly Laser Diodo Hezetasuna H2O detektatzeko
1653nm DFB Butterfly Laser Diodo CH4 detektatzeko
1567nm DFB Butterfly Laser Diodo CO detektatzeko
1578nm 10mW DFB Laser Diodo Hidrogeno sulfuroa detektatzeko
1580nm DFB Butterfly Laser Diodo CO2 detektatzekoCopyright @ 2020 Shenzhen Box Optronics Technology Co., Ltd. - Txinako zuntz optikoko moduluak, zuntz akoplatutako laser fabrikatzaileak, laser osagaien hornitzaileak Eskubide guztiak erreserbatuta.