Potentzia handiko 1653.7nm Laser moduluak eraikuntza lau bat erabiltzen du azpigarraioan txiparekin. Altua power chip hermetikoki itxita dago epoxirik gabeko eta fluxurik gabeko 14 pin tximeleta pakete batean eta hornituta dago. termistorea, hozgailu termoelektrikoa eta monitore-diodoa kalitate handiko laser errendimendua ziurtatzeko. Metano gasa detektatzeko 1653nm 40mW BTF laser diodoa Telcordia GR-468 kalifikatua da, eta RoHS zuzentarauak betetzen ditu.
Potentzia handiko 1653.7nm Laser moduluak eraikuntza lau bat erabiltzen du azpigarraioan txiparekin. Potentzia handiko txipa hermetikoki itxita dago epoxirik gabeko eta fluxurik gabeko 14 pin tximeleta pakete batean eta termistore batekin, hozgailu termoelektrikoarekin eta monitore-diodo batekin hornituta dago kalitate handiko laser errendimendua ziurtatzeko. Gure laser produktuak Telcordia GR-468 kalifikatuak dira eta RoHS zuzentarauak betetzen dituzte.
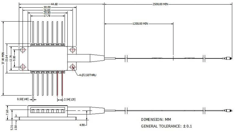
● Industria estandarra 14 pin tximeleta paketea;
● TEC integratua eta isolatzaile optikoa;
● Errendimendu handiko, multiquantum well (MQW) distributed feedback (DFB) laserra.
● Gasa detektatzeko osagai pasiboen ekoizpen-probak;
● Zuntz gasa detektatzeko sistema;
● Laser iturriak.
| Parametroa | Ikurra | Baldintza | Min. | Tip. | Max. | Unitatea |
| Erdiko uhin-luzera | lc | Tl = 15 ~ 35 ℃ qu | 1652.7 | 1653.7 | 1654.7 | nm |
| Irteerako potentzia optikoa | Ondoren | CW | - | 40 | - | mW |
| LD Atalasearen korrontea | ITH | CW | - | 15 | 40 | mA |
| LD Aurrerako korrontea | Bada | Pf = Potentzia nominala | - | 300 | 400 | mA |
| Isolamendu optikoa | - | -10 < TC < +70 ℃ | 30 | - | - | dB |
| Albo-moduaren kentze-erlazioa | SMSR | CW | 35 | 40 | - | dB |
| Erantzunkortasuna kontrolatu | Txertaketa | - | - | 1 | 20 | zen / mw |
| Erantzunkortasunaren egonkortasuna kontrolatu | - | - | - | - | %20 | - |
| Kontrolatu korronte iluna | Id | VPD = 5V | - | - | 50 | nA |
| TEC Korrontea | ITEC | Tcase = 75 ℃ | - | - | 2 | A |
| TEC Tentsioa | VTEC | Tcase = 75 ℃ | - | - | 3.5 | V |
| TEC energia-kontsumoa | P | Tstg = 25 ℃ | - | - | 5 | W |
| Termistoreen erresistentzia | Rth | Tcase = 75 ℃ | 9.5 | 10 | 10.5 | Kohm |
| B termistorea konstantea | Bth | Tstg = 25 ℃ | - | 3900 | - | K |
| Uhin-luzeraren noraeza (EOL) | △λ | 25 urteko bizitzan zehar probatua | - | - | ±0,1 | nm |
| Olatua. Tenperatura-koefizientea | Dl/Dt | TEC tenperatura 15 ℃ eta 35 ℃ artean | - | 0.09 | - | nm/℃ |
| Uhin-luzera Korronte-koefizientea | Dl/DI | - | - | 0.01 | - | NM / in |

Produktu guztiak probatu dira bidali aurretik;
Produktu guztiek 1 urteko bermea dute. (Kalitatearen berme-epea mantentze-zerbitzuaren kuota egokia kobratzen hasi ondoren).
Zure negozioa eskertzen dugu eta berehalako 7 eguneko itzultze-politika eskaintzen dugu. (elementuak jaso eta 7 egun);
Gure dendatik erosten dituzun elementuak kalitate hobekoak ez badira, hau da, ez badute elektronikoki fabrikatzaileen zehaztapenekin funtzionatzen, besterik gabe itzul iezaguzu ordezkatzeko edo itzultzeko;
Elementuak akatsak badira, jakinarazi iezaguzu entrega eta 3 eguneko epean;
Edozein elementu jatorrizko egoeran itzuli behar da itzulketa edo ordezkapena izateko;
Erosleak sortutako bidalketa-kostu guztien ardura da.
G: Zein da uhin-luzeraren zehaztasuna?
A: +/-0,5 nm.
G: Irteerako potentziaren beste bertsiorik al duzu?
A: 10mW, 15mW, 50mW.
C-banda Narrow Linewidth Integratua Tunable Laser Assembly ITLA
1550nm 40mW 200Khz lerro zabalera estua DFB tximeleta laser diodoa
1550nm 40mW 600Khz DFB tximeleta paketea lerro zabalera estua laser diodoa
1550nm 50mW 100Khz lerro zabalera estua DFB tximeleta laser diodoa
1550nm 2mW 5mW Lerro zabalera estua koaxial laser diodoa
1550nm 100mw 100khz Linewidth DFB Laser DFB Laser DFB Laser BTF SM / PM zuntzarekinCopyright @ 2020 Shenzhen Box Optronics Technology Co., Ltd. - Txinako zuntz optiko moduluak, zuntz akoplatutako laserra fabrikatzaileek, laser osagaien hornitzaileak Eskubide guztiak gordeak.